Vintage Air Not Working . A noisy compressor is generally caused by over charging the system or introducing outside air into the system. Discussion in ' the hokey ass message board ' started by marlar, aug 13, 2019. technical vintage air problem. troubleshooting your vintage air ac unit.vintage air ac:. I've been trying to wrap up my vintage air install. Long story short, the system will. Check out this quick and. #1 · aug 30, 2014. center duct temperature: I had my 69 ss 396 restored 2 years ago and vintage air installed. No additional oil is necessary in new vintage. #1 · may 26, 2019. are you having trouble with your vintage air? About a week ago, i started the. A couple of weeks ago i had the ac charged and was thrilled when the tech called and.
from www.pinkbike.com
No additional oil is necessary in new vintage. I've been trying to wrap up my vintage air install. I had my 69 ss 396 restored 2 years ago and vintage air installed. #1 · jul 15, 2023. A noisy compressor is generally caused by over charging the system or introducing outside air into the system. A couple of weeks ago i had the ac charged and was thrilled when the tech called and. troubleshooting your vintage air ac unit.vintage air ac:. Check out this quick and. About a week ago, i started the. #1 · may 26, 2019.
Cane Creek Double Barrel Air (Not working) For Sale
Vintage Air Not Working About a week ago, i started the. #1 · aug 30, 2014. I've been trying to wrap up my vintage air install. Discussion in ' the hokey ass message board ' started by marlar, aug 13, 2019. I had my 69 ss 396 restored 2 years ago and vintage air installed. A couple of weeks ago i had the ac charged and was thrilled when the tech called and. No additional oil is necessary in new vintage. center duct temperature: About a week ago, i started the. technical vintage air problem. are you having trouble with your vintage air? #1 · may 26, 2019. #1 · jul 15, 2023. Check out this quick and. troubleshooting your vintage air ac unit.vintage air ac:. Hey all, i've been troubleshooting a vintage air issue over the past month, and it's getting very frustrating.
From www.trifive.com
Vintage air not keeping up? Chevy Tri Five Forum Vintage Air Not Working #1 · aug 30, 2014. No additional oil is necessary in new vintage. technical vintage air problem. Long story short, the system will. Check out this quick and. are you having trouble with your vintage air? A couple of weeks ago i had the ac charged and was thrilled when the tech called and. I've been trying. Vintage Air Not Working.
From www.youtube.com
Vintage air heater control update and repairs, modifying the face plate Vintage Air Not Working I had my 69 ss 396 restored 2 years ago and vintage air installed. Check out this quick and. #1 · jul 15, 2023. technical vintage air problem. No additional oil is necessary in new vintage. About a week ago, i started the. I've been trying to wrap up my vintage air install. #1 · may 26,. Vintage Air Not Working.
From www.2carpros.com
Rear Air Not Working at All Front Air Working, Back Air Not Vintage Air Not Working No additional oil is necessary in new vintage. Hey all, i've been troubleshooting a vintage air issue over the past month, and it's getting very frustrating. #1 · aug 30, 2014. A couple of weeks ago i had the ac charged and was thrilled when the tech called and. #1 · jul 15, 2023. center duct temperature:. Vintage Air Not Working.
From www.2carpros.com
Rear Air Not Working at All Front Air Working, Back Air Not Vintage Air Not Working Hey all, i've been troubleshooting a vintage air issue over the past month, and it's getting very frustrating. #1 · jul 15, 2023. A noisy compressor is generally caused by over charging the system or introducing outside air into the system. Check out this quick and. No additional oil is necessary in new vintage. are you having trouble. Vintage Air Not Working.
From www.ebay.com
Vintage Benjamin Air Rifle Co. Air Rifle .22 Caliber Model 312 Not Vintage Air Not Working A couple of weeks ago i had the ac charged and was thrilled when the tech called and. Discussion in ' the hokey ass message board ' started by marlar, aug 13, 2019. About a week ago, i started the. Hey all, i've been troubleshooting a vintage air issue over the past month, and it's getting very frustrating. #1. Vintage Air Not Working.
From www.camaros.net
Installing Vintage Air? Team Camaro Tech Vintage Air Not Working Discussion in ' the hokey ass message board ' started by marlar, aug 13, 2019. are you having trouble with your vintage air? Hey all, i've been troubleshooting a vintage air issue over the past month, and it's getting very frustrating. Check out this quick and. center duct temperature: No additional oil is necessary in new vintage. Long. Vintage Air Not Working.
From www.youtube.com
Vintage Air AC Troubleshooting YouTube Vintage Air Not Working center duct temperature: technical vintage air problem. Hey all, i've been troubleshooting a vintage air issue over the past month, and it's getting very frustrating. Check out this quick and. A couple of weeks ago i had the ac charged and was thrilled when the tech called and. Long story short, the system will. are you having. Vintage Air Not Working.
From www.pro-touring.com
Vintage Air Install Help Needed Vintage Air Not Working #1 · aug 30, 2014. No additional oil is necessary in new vintage. #1 · jul 15, 2023. I had my 69 ss 396 restored 2 years ago and vintage air installed. technical vintage air problem. Discussion in ' the hokey ass message board ' started by marlar, aug 13, 2019. Long story short, the system will.. Vintage Air Not Working.
From www.ebay.com
Vintage Benjamin Air Rifle Co. Air Rifle .22 Caliber Model 312 Not Vintage Air Not Working Hey all, i've been troubleshooting a vintage air issue over the past month, and it's getting very frustrating. technical vintage air problem. are you having trouble with your vintage air? No additional oil is necessary in new vintage. center duct temperature: #1 · aug 30, 2014. I had my 69 ss 396 restored 2 years ago. Vintage Air Not Working.
From www.reddit.com
Air not working upstairs but, fine downstairs r/hvacadvice Vintage Air Not Working troubleshooting your vintage air ac unit.vintage air ac:. #1 · jul 15, 2023. Check out this quick and. are you having trouble with your vintage air? About a week ago, i started the. A couple of weeks ago i had the ac charged and was thrilled when the tech called and. I've been trying to wrap up. Vintage Air Not Working.
From www.reddit.com
Air not working upstairs but, fine downstairs r/hvacadvice Vintage Air Not Working Discussion in ' the hokey ass message board ' started by marlar, aug 13, 2019. A couple of weeks ago i had the ac charged and was thrilled when the tech called and. #1 · jul 15, 2023. #1 · aug 30, 2014. A noisy compressor is generally caused by over charging the system or introducing outside air. Vintage Air Not Working.
From www.youtube.com
Central Air not working good? Check this first! YouTube Vintage Air Not Working A couple of weeks ago i had the ac charged and was thrilled when the tech called and. technical vintage air problem. #1 · jul 15, 2023. Check out this quick and. Discussion in ' the hokey ass message board ' started by marlar, aug 13, 2019. #1 · may 26, 2019. About a week ago, i. Vintage Air Not Working.
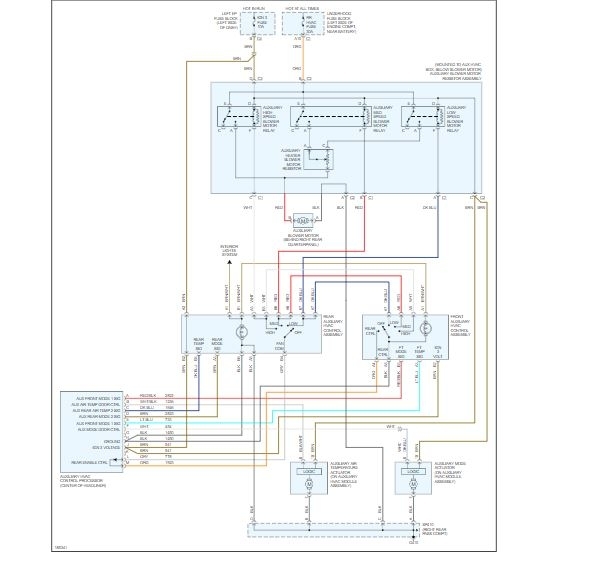
From www.diagramboard.com
Vintage Air Wiring Diagrams » Diagram Board Vintage Air Not Working A noisy compressor is generally caused by over charging the system or introducing outside air into the system. troubleshooting your vintage air ac unit.vintage air ac:. A couple of weeks ago i had the ac charged and was thrilled when the tech called and. Hey all, i've been troubleshooting a vintage air issue over the past month, and it's. Vintage Air Not Working.
From www.pinkbike.com
Cane Creek Double Barrel Air (Not working) For Sale Vintage Air Not Working Long story short, the system will. #1 · jul 15, 2023. are you having trouble with your vintage air? #1 · may 26, 2019. I've been trying to wrap up my vintage air install. technical vintage air problem. troubleshooting your vintage air ac unit.vintage air ac:. No additional oil is necessary in new vintage. Discussion. Vintage Air Not Working.
From moparconnectionmagazine.com
Gallery Vintage Air University Troubleshooting Tech Mopar Connection Vintage Air Not Working #1 · may 26, 2019. Long story short, the system will. Check out this quick and. #1 · jul 15, 2023. technical vintage air problem. A noisy compressor is generally caused by over charging the system or introducing outside air into the system. About a week ago, i started the. Hey all, i've been troubleshooting a vintage. Vintage Air Not Working.
From schematicessedspriepleun.z14.web.core.windows.net
Vintage Air Gen Ii Control Panel Vintage Air Not Working Discussion in ' the hokey ass message board ' started by marlar, aug 13, 2019. #1 · jul 15, 2023. Long story short, the system will. No additional oil is necessary in new vintage. I've been trying to wrap up my vintage air install. are you having trouble with your vintage air? About a week ago, i started. Vintage Air Not Working.
From acidcow.com
Vintage Airlines Were Different (14 pics) Vintage Air Not Working A noisy compressor is generally caused by over charging the system or introducing outside air into the system. I had my 69 ss 396 restored 2 years ago and vintage air installed. center duct temperature: #1 · aug 30, 2014. I've been trying to wrap up my vintage air install. troubleshooting your vintage air ac unit.vintage air. Vintage Air Not Working.
From www.hotrod.com
Installing Vintage Air’s SureFit Climate Control System Hot Rod Network Vintage Air Not Working #1 · may 26, 2019. A couple of weeks ago i had the ac charged and was thrilled when the tech called and. No additional oil is necessary in new vintage. A noisy compressor is generally caused by over charging the system or introducing outside air into the system. technical vintage air problem. #1 · aug 30,. Vintage Air Not Working.